
螺帽压出式顶尖套
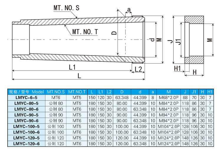
产品参数
PRODUCT PARAMETERS

产品细节
PRODUCT details

三大优势
CHAO YUE advantage
应用经验丰富,根据客户需求,设计包装等
严控生产流程.确保产品合格出厂
稳定的原材料供应商.锐意进取的研发团队、严谨的流程管控.有效保障产品品质稳定
01
10多年品牌生产经验
专业的刀具配件供应商
应用经验丰富,根据客户需求,设计包装等
严控生产流程.确保产品合格出厂
稳定的原材料供应商.锐意进取的研发团队、严谨的流程管控.有效保障产品品质稳定
02
来图来样加工免费质量测试
为您提供整套配件、包装解决方案
应用经验丰富,根据客户需求,设计包装等
严控生产流程.确保产品合格出厂
稳定的原材料供应商.锐意进取的研发团队、严谨的流程管控.有效保障产品品质稳定
03
24小时在线服务
已建立健全完善的售后服务体系









